|
华为通信电源柜TP48600B-N16C1
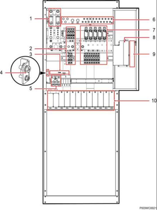
华为通信电源柜TP48600B-N16C1 的机柜外观
(1)电池熔丝 (2)重要负载下电支路空 (3)N 接线排 开 (4)机柜接地排 (5)交流输入空开 (6)RTN+母排 (7)次要负载下电支路空开或 (8)监控单元 SMU06C1 (9)SNMP 模块安装空 熔丝 间
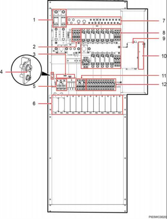
(1)电池熔丝 (2)重要负载下电支路空开 (3)N 接线排 (4)机柜接地排 (5)交流输入空开 (6)整流模块安装空间 (7)RTN+母排 (8)次要负载下电支路空开或 (9)监控单元 熔丝 SMU06C1
|


