|
华为PDC- DC0384BXA 电池保护开关 盒
2.1 外观华为PDC- DC0384BXA 电池保护开关 盒 BCB-BOX( Battery Circuit Breaker Box)是指用于接通和断开蓄电池与UPS系统连接 并保护电池的电气设备,包括三种型号: ● PDC-0250DC0384BXA ● PDC-0400DC0384BXA ● PDC-0630DC0384BXA
图 2-1 BCB-BOX 外观
( 1 )门锁 (2)扣手 (3)走线盖板
2.2 内部结构 BCB-BOX三种型号的内部结构基本相同,以PDC-0250DC0384BXA为例进行说明。 图 2-2 PDC-0250DC0384BXA 内部结构
( 1 )接地端 (2)电池侧正极 (3)电池侧N极 (4)电池侧负极 (5)BIB控制板 (6)断路器 ( 7 )UPS侧负极 (8)UPS侧N极 (9)UPS侧正极
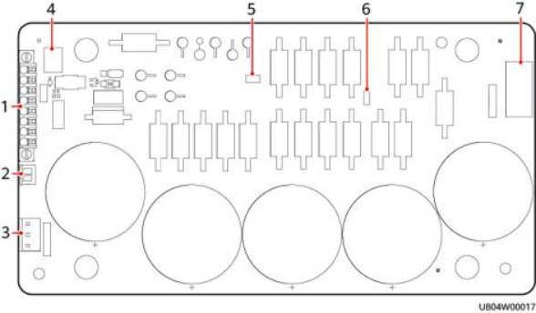
2.3 BIB 板介绍 图 2-3 新 BIB 板外观介绍
( 1 )与UPS通信接口 (2)级联接口 (3)开关状态监测接口 (4)预留 (5)预留 (6)开关脱扣控制信号接口 ( 7 )拨码开关 (8)预留 (9)跳线针脚1 ( 10)跳线针脚2 ( 11 )电池供电接口
图 2-4 旧 BIB 板(一)介绍
( 1 )与UPS通信接口 (2)级联接口 (3)开关状态监测接口 (4)预留 (5)预留 (6)开关脱扣控制信号接口 ( 7 )拨码开关 (8)预留 (9)预留 ( 10)跳线针脚1 ( 11 )跳线针脚2 ( 12)电池供电接口
图 2-5 旧 BIB 板(二)介绍华为PDC- DC0384BXA 电池保护开关 盒
( 1 )与UPS通信及级联接口 (2)开关状态监测接口 (3)开关脱扣控制信号接口 (4)拨码开关 (5)跳线针脚1 (6)跳线针脚2 ( 7 )电池供电接口 |




